Contact: [email protected]

Contact: [email protected]
Contact: [email protected]


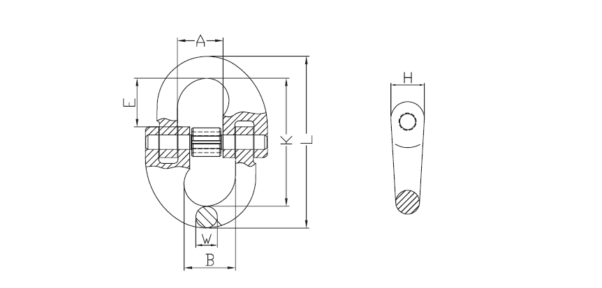
| ITEM NO. | WEIGHT (kg) | WLL (T) | B.L (T) | A | B | W | K | H | L |
|---|---|---|---|---|---|---|---|---|---|
| 10-YWH1001-06 | 0.08 | 1.4 | 5.6 | 14 ± 0.8 | 16.9 ± 0.8 | 7 ± 0.5 | 44.5 ± 2.5 | 11 ± 0.5–1 | 61.5 |
| 10-YWH1001-07 | 0.16 | 1.9 | 7.6 | 18.5 ± 0.8 | 22.5 ± 0.8 | 8.2 ± 0.5 | 59 ± 3 | 12.5 ± 0.5–1 | 79 |
| 10-YWH1001-7/8 | 0.17 | 2.5 | 10 | 18.5 ± 0.8 | 22 ± 0.8 | 8.5 ± 0.8 | 59 ± 3 | 13 ± 0.5–1 | 81 |
| 10-YWH1001-08 | 0.18 | 2.5 | 10 | 18.5 ± 0.8 | 22.7 ± 1 | 10 ± 0.8 | 63 ± 3 | 14 ± 0.5–1 | 84 |
| 10-YWH1001-10 | 0.34 | 4 | 16 | 23 ± 1 | 27.7 ± 1 | 12.6 ± 1 | 71 ± 3 | 18 ± 0.8–1 | 96.2 |
| 10-YWH1001-13 | 0.68 | 6.7 | 26.8 | 28 ± 1 | 33.2 ± 1 | 16.5 ± 1 | 92.5 ± 3 | 23 ± 0.8–1 | 125.5 |
| 10-YWH1001-16 | 1.22 | 10 | 40 | 33.5 ± 1 | 39 ± 2 | 20 ± 1 | 106.5 ± 3 | 29.5 ± 1 | 146.5 |
| 10-YWH1001-20 | 2.13 | 16 | 64 | 42 ± 1 | 47.3 ± 3 | 25 ± 1.5 | 123 ± 3 | 35.5 ± 1.5 | 173 |
| 10-YWH1001-22 | 3 | 19 | 76 | 48 ± 1 | 55 ± 3 | 27 ± 1.5 | 137.5 ± 3 | 39 ± 2 | 191.5 |
| 10-YWH1001-26 | 5.22 | 26.5 | 106 | 61 ± 2 | 68 ± 3 | 32 ± 2 | 163 ± 4 | 45 ± 2.5 | 227 |
| 10-YWH1001-32 | 9.55 | 39.3 | 157.2 | 80 ± 2 | 87 ± 3 | 40 ± 3 | 197 ± 4 | 54 ± 3 | 277 |
If you have any suggestions or opinions about our products, please leave a message, and we will immediately answer your questions. Thanks for your support.
