Contact: [email protected]

Contact: [email protected]
Contact: [email protected]


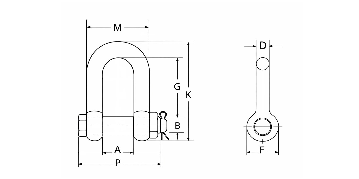
| Size | WLL | Weight | Dimensions (mm) | |||||||
|---|---|---|---|---|---|---|---|---|---|---|
| (MM) | (t) | (kg) | A | B | G | D | F | M | G | P |
| 6 | 0.5 | 0.06 | 12 | 8 | 22 | 6 | 16 | 25 | 40 | 40 |
| 8 | 0.75 | 0.1 | 14 | 10 | 26 | 8 | 19 | 29 | 49 | 46 |
| 10 | 1.0 | 0.15 | 17 | 11 | 32 | 10 | 23 | 36 | 59 | 55 |
| 11 | 1.5 | 0.22 | 19 | 13 | 37 | 11 | 27 | 41 | 68 | 64 |
| 13 | 2.0 | 0.34 | 21 | 16 | 41 | 13 | 30 | 46 | 77 | 71 |
| 16 | 3.2 | 0.67 | 27 | 20 | 51 | 16 | 38 | 59 | 96 | 90 |
| 19 | 4.7 | 1.14 | 32 | 23 | 61 | 19 | 46 | 70 | 115 | 105 |
| 22 | 6.5 | 1.75 | 37 | 26 | 71 | 22 | 53 | 81 | 135 | 122 |
| 25 | 8.5 | 2.52 | 43 | 29 | 81 | 25 | 61 | 94 | 151 | 137 |
| 29 | 9.5 | 3.45 | 46 | 32 | 90 | 29 | 68 | 103 | 172 | 150 |
| 32 | 12.0 | 4.9 | 52 | 36 | 100 | 32 | 76 | 115 | 191 | 170 |
| 35 | 13.5 | 6.24 | 57 | 39 | 111 | 35 | 84 | 127 | 210 | 183 |
| 38 | 17.0 | 7.72 | 61 | 42 | 122 | 38 | 92 | 137 | 230 | 196 |
| 44 | 25.0 | 14.2 | 73 | 52 | 146 | 45 | 106 | 162 | 279 | 245 |
| 51 | 35.0 | 21.2 | 83 | 59 | 171 | 53 | 127 | 184 | 324 | 274 |
| 64 | 55.0 | 38.6 | 105 | 71 | 203 | 67 | 144 | 238 | 377 | 344 |
| 76 | 85.0 | 56.4 | 127 | 84 | 216 | 76 | 165 | 279 | 428 | 384 |
If you have any suggestions or opinions about our products, please leave a message, and we will immediately answer your questions. Thanks for your support.
